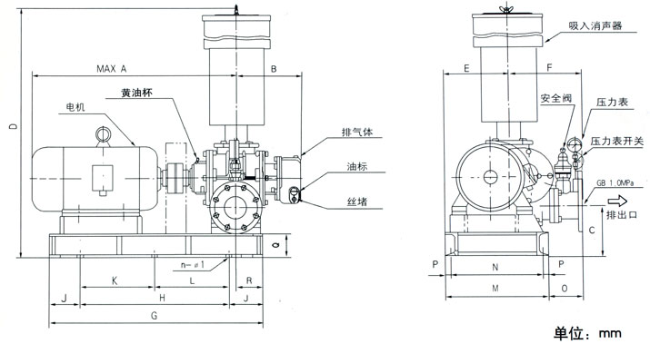
羅茨風機安裝圖與拆解(卸)圖詳解
羅茨風機安裝圖步驟:
對于很多人來說,羅茨風機購買起來容易,可安裝起來并不容易,正確的羅茨風機安裝方法可以幫助我們省去許多不必要的麻煩,同時也可以讓我們更好的去了解這個產品,那如何安裝才是正確的呢?大家可以看看以下的建議哦!
1、電源線的安裝
我們從基礎的講起,在我們給購買后的羅茨風機進行接線時,應當嚴格按照符合風機的額定工作電壓,使用380V的電壓,不得接成220V的工作電壓。這一點小伙伴們一定要切記,還有一個情況,那就是電線也不得接反,如果接反的話,風機就會出現反轉的情況。
2、如何選擇正確的安裝平臺
通常來說,羅茨風機的安裝分為兩種,室內安裝和室外安裝,兩種方式各有各的方法,首先我們來講一下室內安裝,可以安裝在地面之上,也可以選擇在某一平臺上進行安裝,具體的看我們安裝羅茨風機時的現場工況,室外的話最好安裝在臺子上面,因為在地上的話會經常有侵蝕,影響我們羅茨風機的正常運行
3、安裝的開關
根據經驗來說,開關設置的位置要在風機附近,這樣一方面好控制,另一方面也可以緊急處理一些情況,因為太遠的話,一旦出現故障,拖延的時間越久,羅茨風機受到的損害就會越大,所以建議將開關設置在離風機近的位置。
羅茨風機的正確安裝可以幫助我們更好的運行設備哦!

如果我們使用的羅茨風機壞了,需要自行修理,這時就需要我們進行羅茨風機的拆裝,如何進行拆裝羅茨風機呢?步驟又有哪些呢?讓我們一起來看下羅茨風機拆裝的步驟吧!
1、拆裝羅茨風機,需要我們先把羅茨風機的機頭部位進行拆除,也就是將電機與羅茨風機的主體工作不問進行分離;2、然后將齒輪箱內的潤滑油抽出,將油箱進行拆除;3、拆除端蓋,將端蓋殼體進行拆除;4、拆除齒輪,將油箱齒輪進行拆除;5、拆除轉子,將轉子進行拆除;6、最后進行葉輪的拆除。
羅茨鼓風機拆卸時注意一下事項:羅茨鼓風機的結構形式不同,其拆卸方法有所不同,但是,在拆卸之前,應注意以下幾點:1,拆卸前,應測量被拆卸部件相互之間的裝配間隙,對于關鍵另部件的裝配位置,應做好記錄,如鼓風機的同步齒輪,以免回裝時發生錯誤。2,拆卸下來的結合面墊子以及調整墊片,應妥善保管,其裝配位置,作好記錄,應并測量其厚度,作為會裝依據。3,一些裝配精度很高的組件,如鼓風機同步齒輪的輪和齒圈,如果齒圈未發現損傷,就不要輕易拆開螺栓打出銷子,因為此裝配精度直接影響鼓風機各部位的間隙。4,不同的零件,要選擇適當的工具來進行拆卸以免損壞零件,影響裝配質量,甚至造成設備不能正常運行。
同步齒輪:由齒圈和輪轂組成,便于調整葉輪間隙。
機體:由機殼和左、右墻板組成。左、右墻板及安裝在左右墻板內的軸承座、密封部等均可互相通用。
底座:中、小型風機均配有公共底座,大型風機僅配風機底座,便于安裝調試。
葉輪:選用漸開線型面,容積利用率高。
軸承:近聯軸器端作為定位端選用3000型雙列向心球面滾子軸承。近齒輪端作為自由端選用32000型單列向心短圓柱滾子軸承 潤滑:齒輪采用浸入式,軸承采用飛濺潤滑。潤滑效果好,安全可靠。
傳動方式:以聯軸器直聯為主。若性能規格需要,也可選用三角皮帶輪變速的方式。聯軸器選用彈性聯軸器,能緩和沖擊及補償少量的軸線偏差。大流量風機除以電動機作為驅動機外,也可采用汽輪機或其他驅動機。
轉子:由軸、葉輪、軸承、同步齒輪、聯軸器、軸套等組成。

相關新聞
- 2026-03-043臺250型粉體物料氣力輸送羅茨風機安裝現場
- 2026-01-14200KW羅茨鼓風機安裝圖
- 2025-11-28185kw羅茨風機安裝注意事項
- 2025-11-13160kw羅茨鼓風機安裝注意事項
- 2025-10-28羅茨風機的拆卸與安裝方法







