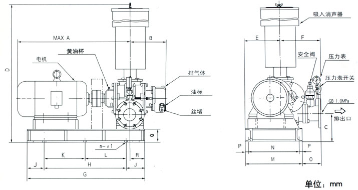
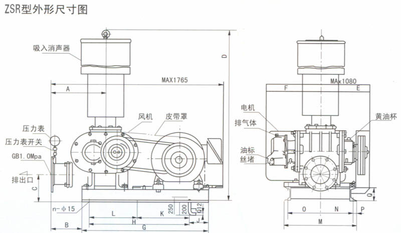
脫硫塔氧化風機結構圖
瀏覽: 發布日期:2023-03-08
脫硫塔氧化風機和脫硫氧化風機一樣,也有很多類型的風機,不同的工況情況會采用不同類型的風機,脫硫氧化的工藝有很多,常見的脫硫氧化為濕式脫硫,其中會使用到羅茨式氧化風機,為脫硫過程提供氧氣,下面小編就為大家提供下,羅茨鼓風機的結構圖。

下圖為拆解下的羅茨鼓風機,羅茨鼓風機的組成結構,說簡單也簡單,說復雜也復雜,與其他種類的風機比較起來,羅茨風機的結構相對簡單,而真的細細研究下去,很多部分也是較為復雜的,如:羅茨風機的間隙標準、葉輪的動平衡誤差等,都需要較為詳細的數據支撐。


通過上面的一組圖片,我們可以看出,脫硫氧化羅茨風機的結構形式還是很多的,如果不考慮結構形式,搭配上密封方式等。
相關新聞
- 2023-05-05脫硫塔氧化風機的作用及工作原理
- 2023-05-05脫硫塔氧化風機型號規格參數大全
- 2023-04-26濕法煙氣脫硫氧化風機停運對脫硫的影響(詳細分析)
- 2023-04-26脫硫吸收塔氧化風機結構圖及拆解圖
- 2023-04-26火電廠脫硫吸收塔氧化風機運行節能研究







